Las lapas o ventosas electromagnéticas son electroimanes circulares que se utilizan en numerosas aplicaciones.
Todos nuestros productos cumplen con la Directiva de Baja Tensión 2014/35/UE y se fabrican bajo las normas DIN VDE 0580, UNE-EN 6004-1 y NFC79300.
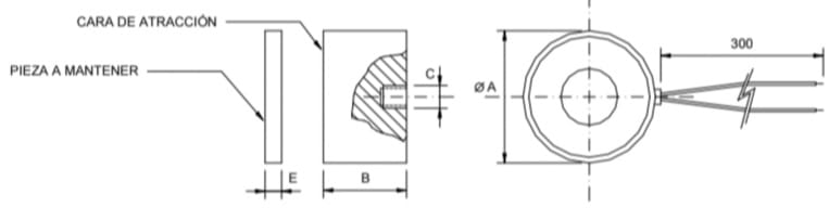
La tensión de alimentación estándard es de 24VDC, bajo demanda otros valores.
Se sirven con terminales libres, bajo demanda se puede personalizar el largo de los cables de conexión y añadir cualquier tipo de terminal.

Tipos de lapas o ventosas electromagnéticas
Lapa electromagnética positiva o ventosa electromagnética (LEM-P)
Las lapas o ventosas electromagnéticas positivas (LEM-P) crean un campo magnético en la cara de atracción, alimentando bajo tensión la bobina, permitiendo sujetar un elemento férrico. Al cesar la tensión, la pieza se suelta.
Su campo de aplicación se encuentra en el control de la movilidad de piezas así como controles de accesos, instalaciones de puertas contra incendios, electromedicina, robótica industrial y seguridad en general.
Características técnicas
- Fabricado: Según normativa DIN VDE 0580
- Grado de protección: IP65
- Clase tèrmica: B, según VDE 0580
- Tensión de alimentación: Un= 24V D.C., bajo demanda otros valores.
- Fuerza remanente: Entre un 2% y un 5% aproximadamente de la fuerza de Mantenimiento (Fm). Es la fuerza que persiste después de cortar la alimentación.
- Conexión: Terminales libres, bajo demanda se puede variar el largo de los cables de conexión, así como añadir cualquier tipo de terminal.
| Modelo tamaño | Medidas (mm) | Potencia P(W) | Factor de marcha E.D. | Fuerza de mantenimiento Fm(N) | Espesos de la pieza a mantener E(mm) | Peso (Kg) | ||
| A | B | C | ||||||
| LEM-25P | 25 | 20 | M4 | 2,2 | 100% | 130 | 3 | 0,06 |
| LEM-30P | 30 | 20 | M4 | 2,8 | 100% | 220 | 3,5 | 0,11 |
| LEM-35P | 35 | 20,6 | — | 3,2 | 100% | 320 | 4 | 0,14 |
| LEM-40P | 40 | 27 | M6 | 4 | 100% | 430 | 5 | 0,2 |
| LEM-50P | 50 | 30 | M6 | 5,5 | 100% | 700 | 6 | 0,31 |

Lapa electromagnética negativa o ventosa electropermanente (LEM-N)
Las lapas o ventosas negativas o electropermanentes (LEM-N) son aquellas que, sin alimentación y gracias a un imán permanente, ya sujetan en la cara de atracción, mientras que cuando se alimenta la bobina se crea un campo magnético igual y de sentido contrario al permanente, neutralizando toda atracción magnètica. Están especialmente indicadas para sujetar material ferromagnético durante largos periodos de tiempo o en situaciones de seguridad donde un corte accidental de alimentación pudiera causar daños.
Características técnicas
- Fabricado: Según normativa DIN VDE 0580
- Grado de protección: IP65
- Clase tèrmica: B, según VDE 0580
- Tensión de alimentación: Un= 24V D.C., bajo demanda otros valores.
- Fuerza remanente: Entre un 2% y un 5% aproximadamente de la fuerza de Mantenimiento (Fm). Es la fuerza que persiste con la bobina excitada..
- Conexión: Terminales libres, bajo demanda se puede variar el largo de los cables de conexión, así como añadir cualquier tipo de terminal.
| Modelo tamaño | Medidas (mm) | Potencia P(W) | Factor de marcha E.D. | Fuerza de mantenimiento Fm(N) | Espesos de la pieza a mantener E(mm) | Peso (Kg) | ||
| A | B | C | ||||||
| LEM-25N | 25 | 20 | M3 | 5,2 | 50% | 60 | 3 | 0,05 |
| LEM-35N | 35 | 22 | — | 5,5 | 50% | 120 | 4 | 0,15 |
| LEM-35NR | 35 | 22 | M5 | 5,5 | 50% | 120 | 4 | 0,15 |
| LEM-40N | 40 | 35 | M6 | 10 | 50% | 210 | 5 | 0,22 |
| LEM-50N | 50 | 39 | M5 | 10 | 25% | 520 | 6 | 0,44 |
| LEM-60N | 60 | 35 | M5 | 32 | 25% | 820 | 7 | 0,58 |
| LEM-75N | 75 | 65 | M6 | 20 | 25% | 1.700 | 8 | 1,90 |

Si necesitas información sobre nuestros productos, no dudes en ponerte en contacto con nosotros y te asesoraremos en todo lo que necesites.

